51今日大瓜大赛往期内容,[AISS]爱丝索菲继续突破,光溜溜美女图片视频素材大全

CD1/MD1型电动葫芦

『产品特点』:结构紧凑、自重轻、体积小、操作方便
『生产流程』:严格遵循ISO9001质量标准,所有产品均采用的设备生产加工
『应用领域』:用于大起重量,高工作级别的场所,配套与葫芦双梁,葫芦龙门起重机等
『测试流程』:每一台电动葫芦均采用在出厂前都进行荷载测试,确保每台电动葫芦能可靠的安装、运行,让客户得心应手的使用
拨打热线立享优惠

400-096-0510

产品介绍

  • 高质量油漆工艺
    保护电动葫芦免受腐蚀和磨损,延迟使用寿命
  • 环保的制动环
    最大限度的保护操作人员及工作环境
  • 完善的保护装置
    防止超载操作对电动葫芦的破坏,确保电动葫芦的正常使用
  • 新工艺下的葫芦制动器
    降低电机的噪音污染,延长制动器使用寿命
  • 更加安全的吊钩
    设置钩口闭锁装置,让您的使用更安全,更可靠
  • 新设计的电机轴
    大幅度提升轴的强度,延长电机使用寿命
  • 更加便捷的按钮开关
    使用防水按钮开关,使您工作更安全,更轻便

基础参数

参数下载

未标题-2

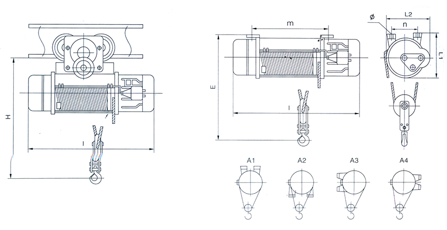
  电动小车式葫芦外形示意图

1

  CD/MD型电动葫芦具有结构紧凑、自重轻、体积小、操作方便等特点。它既可以单独安装在架空工字梁上、也可以配套安装在电动或手动单梁、双梁、悬臂、龙门等起重机上适用。在精细作业场合,当CD型电动葫芦的起升速度不能满足要求时,应当选用MD型双起升速度电动葫芦。

  CD/MD型电动葫芦基本技术参数

2

我们优势

3

11


有问题?让我们来帮您

如果您遇到以下问题,请联系我们,我们将以热忱的服务赢得您的满意

  • 购买前咨询

  • 如何选购合适的机型

  • 咨询产品价格

  • 配置合适生产线

  • 安装、操作相关问题

  • 售后服务

  • 配件如何购买

  • 有其他建议或意见

应用案例

产品咨询

  • 产品名称

  • 您的称呼

  • 电子邮箱

  • 您的单位

  • 电话号码

  • 其他联系

咨询留言

验证码

备案号:苏ICP备15042468号-1

主站蜘蛛池模板: 琼中| 大足县| 嵊泗县| 永平县| 永寿县| 分宜县| 民权县| 绥中县| 卫辉市| 遂川县| 鄯善县| 神池县| 寿光市| 扶沟县| 锡林浩特市| 穆棱市| 九台市| 扶风县| 乐昌市| 德州市| 临洮县| 毕节市| 东至县| 五家渠市| 杭锦后旗| 扶沟县| 会同县| 孝昌县| 肥乡县| 花莲市| 桂林市| 牡丹江市| 河东区| 工布江达县| 正镶白旗| 治县。| 昆山市| 西华县| 龙州县| 兴海县| 武平县|